您当前所在位置 > 首页 > 院务公开
院务公开
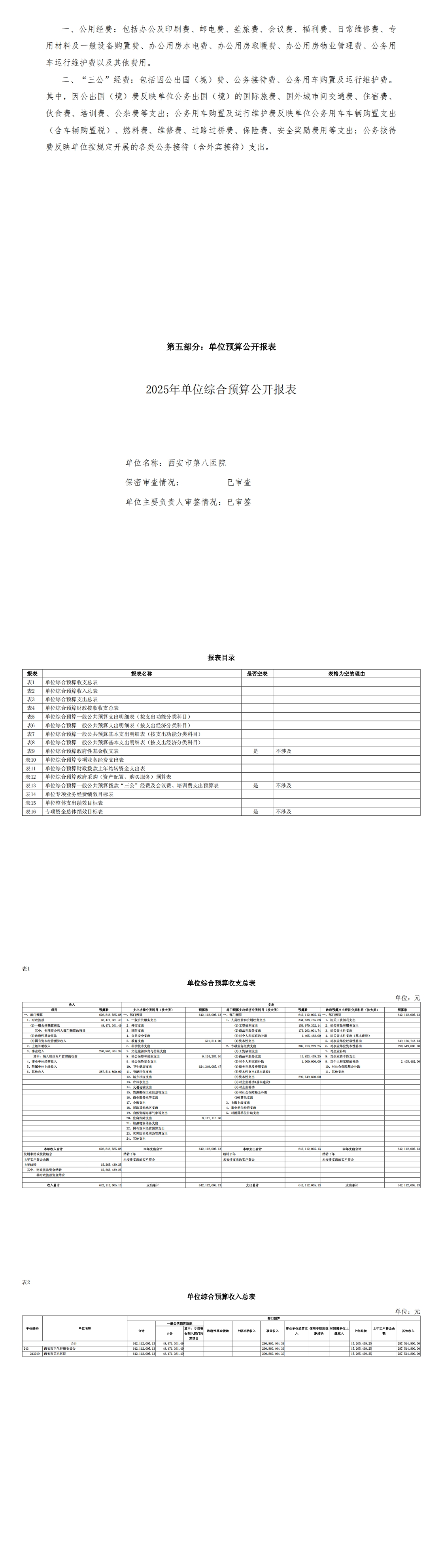
西安市第八医院2025年单位预算公开说明
发布日期:2025-12-23   
作者:佚名   
来源:财务科   
点击量:6453   分享到:
服务号:西安市第八医院
抖音号:西安市八院
订阅号:西安市八院










预约挂号
在线咨询
来院交通
专家出诊表